2025-12-16
AD7689是4/8通道、16位、电荷再分配逐次逼近寄存器(SAR)型模数转换器(ADC),采用单电源VDD供电。
AD7689拥有多通道、低功耗数据采集系统所需的所有组成部分,包括:无失码的真16位SAR ADC;用于将输入配置为单端输入(使用或不使用参考地)、差分输入或双极性输入的4通道(AD7682)或8通道(AD7689)低串扰多路复用器;内部低漂移基准源(可以选择2.5 V或4.096 V)和缓冲器;温度传感器;可选择的单极点滤波器;以及当多通道依次连续采样时非常有用的序列器。
AD7689使用简单的SPI接口实现配置寄存器的写入和转换结果的接收。SPI接口使用单独的电源(VIO),它被设定为主机逻辑电平。功耗与吞吐速率成正比。

AD7689采用小型20引脚LFCSP封装,工作温度范围为-40°C至+85°C
RS1438采用QFN4X4-20封装,工作温度范围-40°C ~+125°C,范围更大,可完美替代AD7689
部分竞品参数对比
产品特性
• 16位分辨率、无失码
• 4通道(AD7682)/8通道(AD7689)多路复用器
•可选择输入、单极性单端输入、差分输入、伪双极性输入
• INL:典型值±0.4LSB,最大值±1.5 LSB(+23ppm或FSR)
• 吞吐速率:250kSPs
•功耗:
3.5 mW(2.5 V/200 ksPs)
12.5 mW(5 V/250ksPs)
• 待机电流:50nA
• 单电源工作:2.3 V至5.5V,逻辑接口电压:1.8V至5.5V
• 串行接口,兼容SPI、MICROWIRE、QSPI和DSP
• 动态范围:93.8 dB
典型应用
多通道系统监控、电池供电设备、ECG/EKG、GPS、电力线监控、数据采集、地震数据采集系统、仪器仪表、过程控制
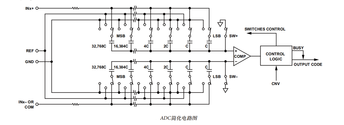
工作原理

对标产品
应用场景建议
推荐使用RS1438的场景:
1.工业环境、汽车电子等高温应用
2.需要更高温度可靠性的场合
推荐使用AD7689的场景:
1.消费电子、医疗设备等常温应用
2.对成本敏感但对温度要求不高的项目
选型注意事项
温度适应性:如应用环境温度可能超过85°C,必须选择RS1438
动态性能要求:如输入信号频率较高,AD7689可能提供更好的性能表现
功耗敏感度:AD7689在相同采样率下功耗略低
总结:两款ADC在核心参数上高度相似,主要区别在于工作温度范围和特定频率下的动态性能表现。选择时需根据实际应用的温度要求和信号特性进行权衡
订购指南
数据手册: AD7689数据手册
需要RS1438数据手册请联系我们~
购买链接:AD7689
扫描下面二维码获取更多型号的详细内容:
您好,欢迎访问泽芯微科技,我司主要客户行业有医疗,工业,通信和汽车, 出货靠前的品牌有:ST, TI,MICROCHIP, ADI,MAXIM 等,请问有什么可以帮到您? - 当然,也欢迎您直接拨打电话 13798286228 沟通咨询 -
感谢留言我们会尽快与您联系关闭提交